MONDRIAN R4
- Motoréducteur alimenté en 230 V AC, équipé de fin de course mécanique et récepteur radio 433,92 MHz.
Fin de course |
Connexion |
Idéal pour |
|---|---|---|
Mécanique |
Radio |
Fenêtres de petites dimensions |
Notre gamme
Caractéristiques principales
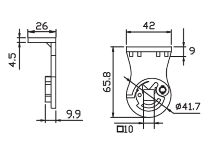
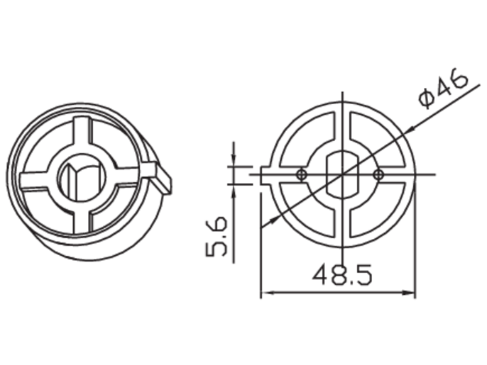
- Possibilité d’utilisation sur tube de 40 mm rond ou octogonal.
- Fin de course manuel mécanique avec réglage progressif par vis.
- Idéal pour caissons aux dimensions réduites.
- Tête universelle pour l’application de toutes sortes de plaques de fixation.
Données techniques
| Modèles | Alimentation (V) | Alimentation moteur (V) | Puissance (W) | Consommation en mode veille (W) | Consommation de courant (A) | Consommation de courant max. (A) | Alimentation max. (V) | Consommation de courant à 24 V (mA) | Tours couronne (T/M) | Intermittence/Fonctionnement (%) | Force (N) | Vitesse de manœuvre maximale (m/min) | Temps de manœuvre à 90° (s) | Cycles/heure | Vitesse de manœuvre (m/min) | Module pignon | Rapport de réduction (i) | Degré de protection IP | Température de fonctionnement (°C) | Température de stockage (°C) | Thermoprotection moteur (°C) | Longueur (mm) | Dimensions du colis (mm) | Poids (Kg) | Couple (Nm) | Vitesse de rotation (tours/min) | Poids soulevé (kg)* | Durée de fonctionnement (min) | Combinaisons | Fréquence du signal radio (MHz) | Piles | Matériau | Fréquence radio Bluetooth (GHz) | Vitesse max. périphérique du vantail (m/min) | Normes de produits | Conformité aux directives | Consommation de courant max. (mA) | Standard Wireless | Matériau boîtier | Humidité relative en fonctionnement (%) | Précision lecture température (°C) |
|---|---|---|---|---|---|---|---|---|---|---|---|---|---|---|---|---|---|---|---|---|---|---|---|---|---|---|---|---|---|---|---|---|---|---|---|---|---|---|---|---|---|
| 001Y4006A283MOR | 121 | 0,53 | 44 | ÷ | ÷ | 578 | 630 x 70 x 70 | 6 | 28 | 4 | x | ||||||||||||||||||||||||||||||
| 001Y4010A171MOR | 121 | 0,53 | 44 | ÷ | ÷ | 578 | 630 x 70 x 70 | 10 MAX. | 17 | 4 | x |

